图文介绍如何读懂液压系统原理图(下)(转自 液压传动与控制)
2021年2月20日 23:39接上篇继续:
B: 包括控制单元和执行单元。
控制单元与油泵动力单元可隔得很近,也可能很远,取决于实际现场工况,因此中间需要考虑管路连接。而控制单元与执行单元的连接比较多种多样,有控制单元独立的,与执行单元采用管路连接;有控制单元集成在执行单元的,如带液压缸旁块的油缸、马达或者伺服阀控制系统。
一个完整的控制单元与执行单元示意如下。
B.1 控制单元
根据其功能,主要分为四大类:截止阀、方向控制阀、压力控制阀、流量控制阀。
备注:下面的两张截图均来自力士乐英/中样本。关于压力控制阀的翻译是不正确的。因此大家在看力士乐中文版样本的时候,会经常会发现一些翻译错误或值得商榷的地方,因此不要迷信!
由各种功能阀组成的典型液压系统示意如下。
二通插装阀,或叫逻辑阀被单列出来,是因为安装方式不同,属于滑入式插装阀系列,而前面属于板式安装或螺纹式安装。但是,二通插装阀阀芯与盖板可以实现不同的组合,从而可以实现不同的功能,如方向、压力、流量等方面的控制,其主要用在大流量场合。
如下所示就是阀芯与盖板实现方向和流量控制的一些示例。
B.1.1 截止阀
截止阀主要指单向阀、液控单向阀和平衡阀(平衡阀也可归属于压力控制阀)。
单向阀主要用于控制液体的单向流动,防止倒流,如经常在泵出口、在回油管T上都会考虑单向阀。
液控单向阀也是大家常说的液压锁,参见原理图所示。左边的属于外控外泄,板式或者螺纹式安装,右边的属于内控内泄,叠加式安装。液压锁的功能就是当所有电磁阀失电的时候,液压锁把油缸里面的油封死实现保压,确保设备静止不动以及安全。平衡阀的功能除了可以实现上述功能之外,还可以平衡负载,特别是垂直工况,有了平衡阀,负载就不会快速下滑。
B.1.2 方向控制阀
方向控制分类方式多种多样。
根据控制方式,有手动、气动、液动、电动等之分。
根据工作位置的多少,分为两位、三位等。参见原理图,左图为两位电磁阀、右图为三位电磁阀。
方向控制阀都有一个默认的中位机能,即在失电的工况,阀会回到什么初始位置。对于三位阀来说,中位机能的选择是很重要的,涉及到系统工作可靠性、安全等。如下给出了一些中位机能的示例。每种机能都有其使用特点,举例如是E,断电时,P&A&B&T四个有口均不通,在定位要求不高的场合,就可以不用液压锁了;如是H,P&A&B&T四个有口均相通,四个油口压力均卸荷;如是J,P封死,A&B&T三个油口泄压。
根据有无先导级,分为直动式和先导式方向阀。NG6和NG10都可以做成直动式的电磁阀。如果通径增加,则就是先导式的,先导部分采用NG6的电磁换向阀,中位机能一般为J,确保主阀两个弹簧腔及时回油,不留背压。目前NG10,NG16,NG25以及以上均是先导式电液控制的。
直动式电磁阀如下示意,由电磁铁提供的推力直接驱动阀芯运动。
先导式电液换向阀如下所示。先导级为直动式电磁阀,其A/B口分别作用于主阀芯的两端,属于液动力驱动。
B.1.3 压力控制阀
压力阀主要分为三种:溢流阀、减压阀、顺序阀。
溢流阀,有时候也叫安全阀,是根据其功能来定义的。主要用于限定系统或者局部回路的压力,防止压力过载,起到保护泵或者回路中油缸的目的。因此溢流阀的入口是高压,出口应该是零压回油的。也分直动式和先导式之分。
下图为先导式电磁溢流阀,阀的设定压力由先导级设定。电磁阀得失电可以决定系统加载或卸载。
减压阀的用于改变二次回路的压力,是二次回路在低于系统压力的工况下工作。减压阀也有直动式和先导式之分。如下为板式安装先导式减压阀。
减压阀都有一个泄油口Y,其必须零压回油箱,不然就无法实现减压。下图所示,为了利用减压阀这种特性,就可以实现两种压力控制。当电磁阀失电,Y口零压回油箱,减压阀按其正常原理工作,实现减压;当减压阀得电,Y口被堵死,减压阀此时不减压,二次回路压力将等于一次回路压力。
顺序阀主要用于顺序回路如机床等实现顺序控制的场合。顺序阀与溢流阀不同点就是,溢流阀出口是回油箱的,而顺序阀出口是接下一个元件或回路的。图示为板式安装先导式顺序阀结构。
B.1.4 流量控制阀
流量控制阀是一个统称范畴,包括节流阀和调速阀。
节流阀用在对速度控制精度要求不高的场合,其受温度、负载的影响较大,因此调节的速度不一定是稳定的。有管式、板式、叠加式、螺纹插装式等之分。
调速阀因为带压力补偿功能,节流口前后压差是固定的,因此当固定节流口大小调节好之后,即使负载变化,经过阀的流量也是不变的,理论上调节控制精度高很多。
结构与符号示意如下。
上面谈到无论是方向控制阀、压力控制阀,还是流量控制阀,都是开关式的控制,或者不能实现连续的调节(需要人工调节实现)。如果这些阀在调节方式上改变成比例控制信号,就可以实现比例方向阀/伺服阀、比例压力阀和比例流量控制阀。
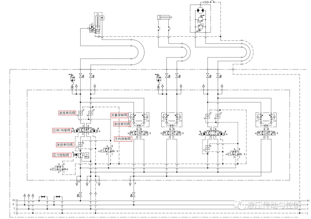
系统图工作原理说明
左边一组阀的控制过程可描述如下。带单电磁铁的两位四通阀失电处于右位的时候,比例/伺服阀前后的液压锁X口均连通T口而泄油,液压锁锁定,油液无法逆向流动。当该电磁阀得电处于左位状态,高压油与X口接通,两个液压锁均打开,此时比例/伺服阀就可以工作了。比例阀/伺服阀根据油缸的位移或者压力信号,改变阀芯开度,实现连续调节。比例/伺服阀的给定信号类型较多,可以是±10mA、4~20mA的电流信号,或者是±10V的电压信号等。比例/伺服阀前的减压阀回路用于进行压力选择。参考之前所述。
与左边比例/伺服阀回路并联的右边一组常规回路包含:三位四通换向阀+液压锁+节流阀。电磁阀失电时,阀芯中位,液压锁控制油回油箱,液压锁可以可靠锁定。液压锁之后是节流阀,出口节流,油缸动作回程有背压,因此更平稳。对于某些回路,如果希望油缸启动平缓,也可以用进口节流。该回路用于自动化面板上的手动慢速操作,其与比例/伺服阀回路是独立的。
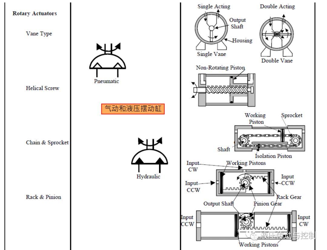
B.2 执行单元
执行单元根据执行器的是直线还是回转运动方式,有液压缸和液压马达之分。
液压缸根据结构有单作用缸和双作用缸。单作用缸是指油缸只有一腔通液压油,另外一腔靠弹簧或者重力等方式来实现控制。双作用缸是指油缸活塞杆两腔均需接通液压油,分别实现伸出或者缩回的控制。
根据有无活塞杆,又分为柱塞缸和活塞缸。柱塞缸是指油缸活塞大小与杆一样,只有一个腔工作。回程通常需要靠重力。活塞缸是指油缸带活塞杆的,又可以分为单活塞杆和双活塞杆。
还可以分为单级缸和多级缸。单级缸是只有一个活塞杆的,而多级缸是指在活塞杆的内部还有活塞杆的。
液压马达主要用在一些回转运动如一些设备行走控制等。
下面示出的是部分执行元件符号与结构,供参考。
结语
今天的介绍无法涵盖到液压知识的方方面面,更多更深的知识需要我们不断积累!
工程师必备
- 项目客服
- 培训客服
- 平台客服
TOP




















