【探讨】强迫油循环风冷变压器冷却器启动回路精讲
2021年8月9日 14:33变压器的铜损和铁损消耗的能量绝大部分都转化为热量,造成了变压器绕组及铁芯温度升高,而变压器的绝缘寿命和温度又密切相关,根据试验得出,当平均温度每升高10摄氏度时,油的劣化速度就会增加1.52倍。根据冷却方式分类。目前电力系统运行中的变压器以油浸自冷式、油浸风冷式及强迫油循环式三类为主。同样环境下强迫油循环冷却效果优于油浸风冷,油浸风冷冷却效果优于油浸自冷。
大型变压器为了提高容量、减少体积、重量和材料消耗大多会采用强迫油循环导向风冷方式,这种冷却方式采用的是油泵导向强迫加速热点油循环,经风冷散热器使变压器冷却效果提高。按照《变压器运行规程》的相关规定,为防止变压器油劣化过速,上层油温一般度,不宜经常超过85摄氏,多数变压器因此设有过温保护,当温度达到设定值就会跳闸。一旦变压器因油温过高导致绝缘损坏事故或过温跳闸,就会给系统的正常供电和安全运行带来严重的影响,因此根据变压器的容量及其重要程度,必须装设良好且可靠的冷却系统。
为了增强冷却系统的可靠性进而提高变压器的安全运行性能,往往采用多组冷却器分别控制的设计方案,当某一组冷却器故障时不影响其他冷却器的运行,使得变压器能够最大程度上得到冷却。分组的另外一个好处是运行检修灵活,冷却器一般分成4-12组,可以根据负荷即温度来确定投入的组数,及低温及低负荷时投入较少冷却器,以免导致能源及冷却器寿命的浪费,高温及高负荷时投入较多组冷却器及时降低主变温度。
究竟需要投入多少台冷却器才能既满足散热需求又不至于造成能源浪费及冷却器寿命减少,这要根据不同的厂家散热器的性能而定,本文以某公司生产的OSFPS-750000/500变压器为例,进行计算。根据厂家说明书要求,低负荷运行时可以停用部分冷却器,在保持各绕组及油温升不变的条件下,开启冷却器组数与允许负荷的关系有下列算式:
开启n只冷却器时变压器允许的容量Sn’计算公式
Sn-变压器的额定容量(kVA)
Pk’-开启n只冷却器允许的负载损耗,Pk’=nP-P0
Pk-变压器75℃时额定负载损耗
P-变压器满载运行时每只冷却器的热负荷,P=(P0+Pk)/N
P0-变压器的空载损耗
N-冷却器总数(不包括备用冷却器)
根据变压器的参数(N=7-1,P0=173.4kW,Pk=1215.6kW,Sn=750000kVA)
可以得到开启冷却器组数和对应允许容量的关系如下表:
启动冷却器台数n |
变压器允许的容量Sn’ |
k=Sn’/Sn |
1 |
163970 kVA |
0.219 |
2 |
366070 kVA |
0.488 |
3 |
491050 kVA |
0.655 |
4 |
590130 kVA |
0.787 |
5 |
674810 kVA |
0.900 |
6 |
750000 kVA |
1.000 |
冷却器的控制方式有手动和自动两种,其中自动控制的冷却回路又可分为电气回路控制和可编程控制,目前在系统中运行的以电气回路控制为主,但可编程控制的冷却器会象微机保护一样逐渐普及。下面,以该公司生产的OSFPS-750000/500变压器配套冷却器控制回路为例,分析其启动回路并提出了改进意见。
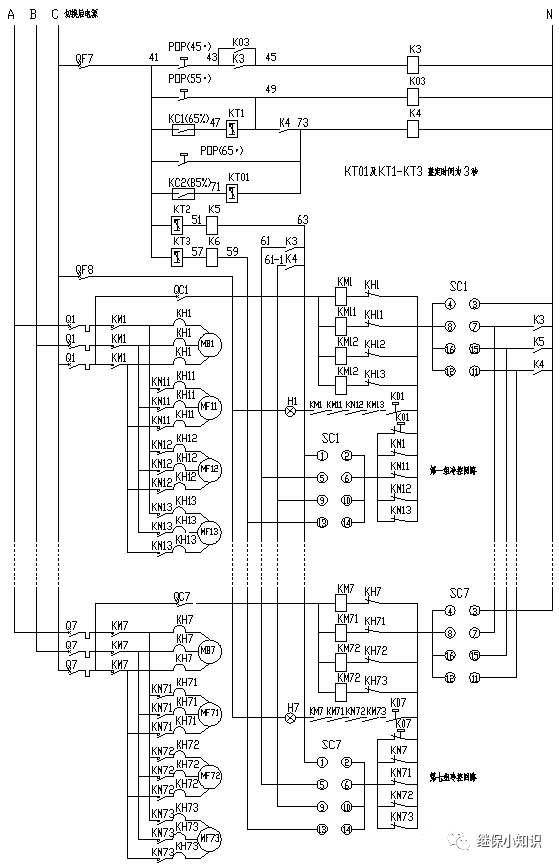
冷却器控制回路如下
冷却器控制回路图(局部)
一、 冷却系统配置介绍:
该冷却系统配置7组冷却器,由电源切换回路,工作冷却器辅助及备用冷却器启动回路,信号回路,冷却器自动启动及冷却器全停跳闸启动回路构成。
1、 冷却器的分组,为了运行检修灵活,冷却系统配置7组冷却器,可以根据负荷即温度来确定投入的组数,及低温及低负荷时投入较少冷却器,高温及高负荷时投入较多组冷却器。
2、 冷却器的工作方式,由于变压器的负荷及温度是不断变化的,故当需要投入或停止冷却器时应该自动进行,不需人为干预,这样既减少了人员工作压力,又避免了人为投入不及时导致主变温度过高,或人为退出不及时导致能源及冷却器寿命的浪费。故除了设置工作模式外,还设置了辅助1、辅助2工作模式,可以根据温度及负荷启动。
3、 为了防止工作冷却器因各种故障停用,设置了备用工作模式,当任一工作中的冷却器故障停用,都自动启动备用冷却器,来代替原有冷却器的运行。
二、 冷却器的几种工作模式
1、冷却器工作方式切换开关SC的接点位置表如下:
2、“停止0”模式
停止模式时,冷却器工作方式切换开关SC所有接点均断开,该组冷却器退出运行。
3、“工作W”模式
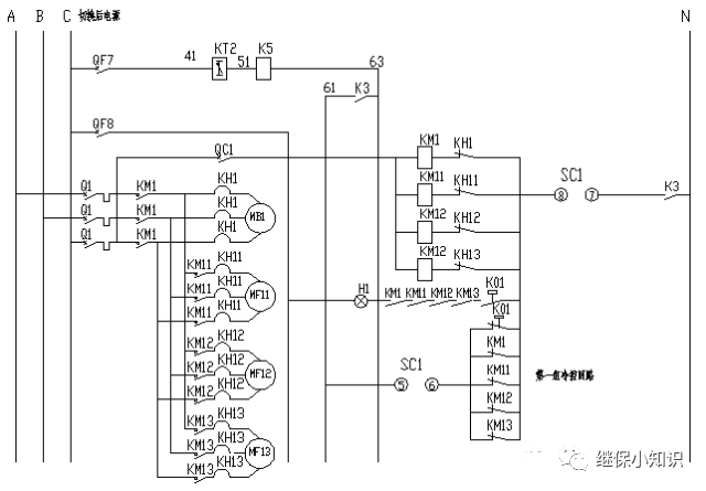
如下图所示,设置方式为“工作”的冷却器(以第一组为例),其SC1接点1-2、3-4接通,KM1及KM11、KM12、KM13经Q1、QC1、SC1的接点3-4及其自身的热继电器常闭接点启动,其中KM1为第一组冷却器的潜油泵的接触器,KM11、12、13为第一组冷却器的三只风扇的接触器,第一组冷却器工作。
工作指示红灯H1经QF8、KM1及KM11、KM12、KM13的常开接点,K01(油流继电器)的常开接点、SC1接点3-4启动,指示第一组工作正常。
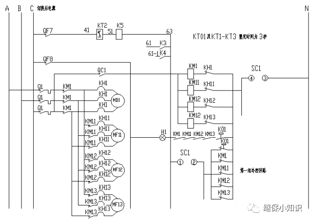
4、“辅助A1”模式
如图所示,设置方式为“辅助A1”的冷却器(以第七组为例),其SC7接点5-6、7-8接通,KM7及KM71、KM72、KM73经其自身的热继电器常闭接点及Q7、QC7、SC7的接点7-8及K3启动,其中KM7为第七组冷却器的潜油泵的接触器,KM71、72、73为第七组冷却器的三只风扇的接触器,当K3动作时,“辅助A1”冷却器工作。
工作指示红灯H7经QF8、KM7及KM71、KM72、KM73的常开接点,K07(油流继电器)的常开接点、SC7接点7-8启动,指示第七组冷却器工作正常。
5、“辅助A2”模式
设置方式为“辅助A2”的冷却器(仍以第七组为例),其SC7接点9-10、11-12接通,KM7及KM71、KM72、KM73经其自身的热继电器常闭接点及Q7、QC7、SC7的接点11-12及K4启动,当K4动作时,“辅助A2”冷却器工作。
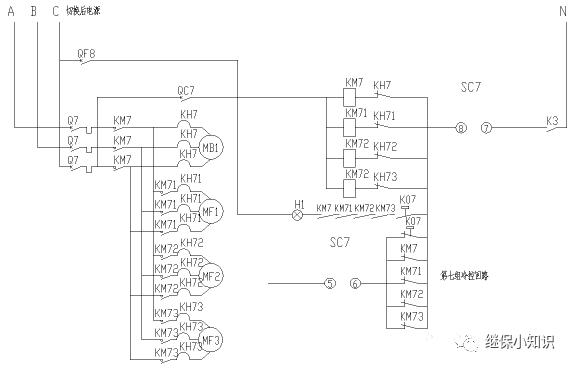
6、“备用S”模式
如图所示,设置方式为“备用S”的冷却器(仍以第七组为例),其SC7接点13-14、15-16接通,KM7及KM71、KM72、KM73经其自身的热继电器常闭接点及Q7、QC7、SC7的接点15-16及K5启动,当K5动作时,“备用S”冷却器工作。
工作指示红灯H7经QF8 KM7及KM71、KM72、KM73的常开接点,K07(油流继电器)的常开接点启动,指示第七组冷却器工作正常。
三、 辅助冷却器的启动过程分析:
辅助冷却器设置了两组,分别为“辅助A1”和“辅助A2”,目的为根据不同的油温和负荷自动启动不同数量的冷却器,由于温度和负荷均参与辅助冷却器的控制,故其动作过程比较复杂。
辅助启动回路如下:
当油温高于55度或负荷大于65%且油温高于45度时,K03、K3动作,启动“辅助1”冷却器。当油温当油温低于45度时,K3自保持回路断开,“辅助1”冷却器退出运行。
当油温大于65度时,K4、K03、K3动作,启动“辅助1”“辅助2”冷却器。当油温低于55度且负荷小于65%时K4、K03返回,“辅助2”冷却器退出运行。
当负荷大于85%且油温高于45度时,K4、K03、K3动作,启动“辅助1”“辅助2”冷却器。当油温低于55度且负荷小于65%时K4、K03返回,“辅助2”冷却器退出运行。
当负荷大于85%且油温低于45度时,K4、K03动作,启动“辅助2”冷却器。当油温低于55度且负荷小于65%时K4、K03返回,“辅助2”冷却器退出运行。
将负荷、温度和启动辅助冷却器对应如下表,可以发现,随着温度和负荷的升高,辅助冷却器投入数量也增多。而且温度优先,刚好满足了变压器的冷却需求。
负荷 温度 |
负荷<65%
|
65%<负荷<85% |
负荷>85% |
温度<45度 |
无 |
K03 |
K4、K03 |
45度<温度<55度 |
K03 |
K03、K3 |
K4、K03、K3 |
55度<温度<65度 |
K03、K3 |
K03、K3 |
K4、K03、K3 |
温度>65度 |
K4、K03 |
K4、K03、 K3 |
K4、K03、 K3 |
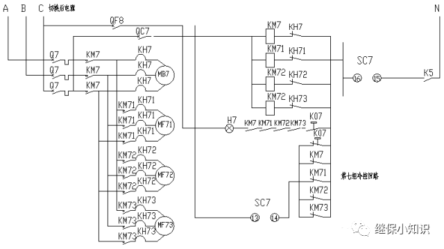
四、 备用冷却器的启动过程分析:
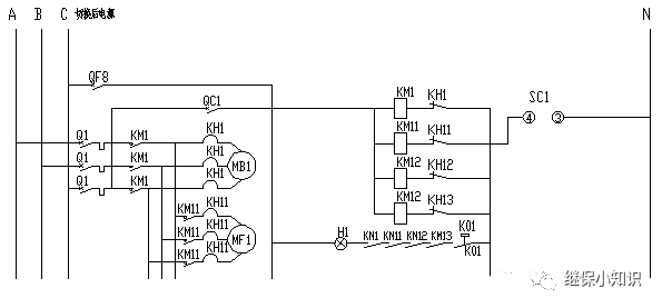
当工作中的冷却器(以第一组冷却器为例)出现故障,如油泵回路缺相或短路,热继电器KH1动作,断开接触器KM1启动回路,接触器KM1返回,其常闭接点接通,交流220V电源经QF7、KT2、K5、SC1的1-2接点、KM1常闭接点、SC1的3-4接点构成回路,K5延时3秒动作,K5动作后启动相应设置为“备用S”模式的冷却器。风扇回路和油流继电器的常闭接点均和该接点并联,若油流继电器或风扇接触器返回,均同样判断为故障,启动继电器K5,进而启动备用冷却器。
故障冷却器故障启动备用冷却器图
当油温或负荷启动了辅助冷却器(仍以第一组冷却器设置为“辅助A1”为例)出现故障,如油泵回路缺相或短路,热继电器KH1动作,断开接触器KM1启动回路,接触器KM1返回,其常闭接点接通,交流220V电源经QF7、KT2、K5、SC1的5-6接点、KM1常闭接点、SC1的7-8接点构成回路,K5延时3秒动作,K5动作后启动相应设置为“备用S”模式的冷却器。风扇回路和油流继电器的常闭接点均和该接点并联,若油流继电器或风扇接触器返回,均同样判断为故障,启动继电器K5,进而启动备用冷却器。
K5动作后一组接点发“工作冷却器故障”信号,以提醒值班人员注意。
当备用冷却器出现故障时,交流220V电源经QF7、KT3、K6、SC1的13-14接点、KM1常闭接点、SC1的15-16、K5接点构成回路,K6延时3秒动作,发出“备用冷却器故障”信号。
五、 辅助冷却器的启动回路不足与改进:
辅助冷却器的按负荷启动的继电器KC1、KC2一般由保护屏提供,经过压板控制后接入冷却器控制箱,由于其为交流220V控制,对人员操作时的安全构成了严重威胁,同时由于交直流不能共用电缆,故需单独敷设一根电缆造成了浪费,也挤占了通道。
由于冷却器具备直流控制电源,故直流的取用非常方便,同时由于KC1KC2均经过KT1/KT01的延时,完全可以在不增加回路的复杂性及原件数量的条件下进行改进。即将延时继电器的启动回路接入直流控制,由时间继电器的延时触点接通交流控制回路,这样就完成了从交流到直流的改造。同时由于直流的时间继电器可以选择数字型时间继电器,计时精度也较交流型高得多。改进后的图如下:
交流部分
直流部分
原KT1/KT01改为直流时间继电器后用SJ1、SJ01表示,以示区分。LC+、LC-、QF11均为原有设备。
六、 各组冷却器的工作模式设置:
根据厂家的要求,其中一组设置为“备用S”,另外"辅助A1”、“辅助A2”各设置一组,剩余4组可根据厂家的各冷却器对应负荷表及当地气候条件,启动2到4组为“工作W模式”,若设两组为工作,则令两组冷却器可分别放在“辅助1”、“辅助2”上,这样既能保证变压器冷却效果又避免了浪费。需要注意的是部分变压器厂家对冷却器的对称启动有特殊要求,需根据要求进行对称启动。
工程师必备
- 项目客服
- 培训客服
- 平台客服
TOP




















