丰田新一代 Direct Shift-CVT 技术解析
皮带轮的直径明显变小,外倾角从 11° 减少到 9°,旨在加快传动比的变化速度。
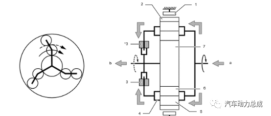
皮带模式/齿轮模式
CVT K120F。1 - 输入轴, 2 - 行星齿轮, 3 - 制动器 B1, 4 - 离合器 C1, 5 - 初级皮带轮, 6 - 次级皮带轮, 7 - 离合器 C2, 8 - 驱动齿轮 # 1, 9 - 从动齿轮 # 1, 10 - 同步器,11 - 2 号主动齿轮,12 - 2 号从动齿轮,13 - 减速器主动齿轮,14 - 减速器从动齿轮,15 - 主齿轮主动齿轮,16 - 主传动从动齿轮
变速器通过关闭和打开离合器 C1 和 C2 在 V 型皮带变速器和齿轮模式之间切换。
CVT K120F。1 - 输入轴,2 - 驱动齿轮 #1,3 - 同步器,4 - 驱动齿轮 #2,5 - C1 离合器,6 - B1 制动器,7 - 从动齿轮 #2,8 - 减速齿轮驱动齿轮,9 - 从动齿轮减速机,10-主齿轮主动齿轮,11-主主动从动齿轮,12-初级皮带轮,13-次级皮带轮,14-钢带,15-C2离合器。a - 齿轮模式,b - 变速器模式
同步器用于连接从动齿轮 #1 和驱动器 #2。该系统控制换档拨叉轴和同步器的位置,改变回路中工作流体的压力。状态由位移传感器(拨叉轴的位置)监控。
1 - 换档拨叉轴,2 - 2 号驱动齿轮,3 - 同步器环,4 - 轮毂衬套,5 - 1 号从动齿轮,6 - 换档拨叉,7 - 位移传感器。a - 伺服,b - 关闭,c - 打开
前进/后退
行驶方向通过行星齿轮、离合器 C1 和制动器 B1 改变。
1 - 制动器 B1,2 - 离合器 C1,3 - 本轮,4 - 卫星 # 1,5 - 太阳轮,6 - 卫星 # 2,7 - 托架
向前行驶:离合器 C1 将输入轴连接到行星架,从而将扭矩传递到太阳轮。
1 - 制动器 B1(关闭),2 - 本轮,3 - 离合器 C1(打开),4 - 托架,5 - 卫星 # 2,6 - 卫星 # 1,7 - 太阳轮。a - 输入,b - 输出。
向后行驶:制动器 B1 保持本轮,来自发动机的扭矩施加到行星架上,并通过太阳轮以相反的旋转方向排出。
1 - 制动器 B1(开),2 - 本轮,3 - 离合器 C1(关),4 - 托架,5 - 2 号卫星,6 - 1 号卫星,7 - 太阳轮。a - 输入,b - 输出。
运动模式
范围 D(启动和低速):制动器 B1 - 关闭,离合器 C1 - 打开,离合器 C2 - 关闭,同步器 - 关闭
范围 D(皮带轮低速比):制动器 B1 - 关闭,离合器 C1 - 关闭,离合器 C2 - 打开,同步器 - 打开
范围 D(皮带轮高传动比):制动器 B1 - 关闭,离合器 C1 - 关闭,离合器 C2 - 打开,同步器 - 打开
范围 N:制动器 B1 - 关闭,离合器 C1 - 关闭,离合器 C2 - 关闭,同步器 - 打开
范围 R:制动器 B1 - 打开,离合器 C1 - 关闭,离合器 C2 - 关闭,同步器 - 关闭
组件
CVT K120F。1 - 驱动齿轮,2 - 轴承,3 - 从动齿轮,4 - 差速驱动齿轮
1-前支架,2-主动链轮,3-从动链轮,4-油泵壳,5-凸轮,6-转子,7-泵壳,8-叶片。a - 入口,b - 低压出口,c - 高压出口
1 - 泵轮,2 - 反应堆,3 - 涡轮叶轮,4 - 阻尼器,5 - 闭锁离合器 |
塑料侧盖位于车辆前部。
带有启停系统的车型配备了电动油泵。
CVT 流体加热器/冷却器在启动后使用发动机冷却液快速预热变速箱,然后将其保持在指定的温度范围内。油冷却器直接安装在变速箱壳体上。
控制系统
CVT K120F。1 - 速度传感器 (NC1), 2 - 离合器行程传感器, 3 - 启动禁止开关, 4 - 速度传感器 (NOUT), 5 - 速度传感器 (NSS), 6 - 油压传感器, 7 - 速度传感器 (NT), 8 - CVT 油冷却器, 9 - CVT 工作液温度传感器, 10 - SLU, 11 - SL2, 12 - SL1, 13 - SLG, 14 - SLP, 15 - SLS
CVT K120F。1 - 换挡拨片,2 - 方向盘上的开关,3 - 仪表盘,4 - 刹车灯开关,5 - DLC3,6 - 油门踏板位置传感器,7 - 多轴加速度传感器,8 - 控制台上的选择器, 9-切换传输模式,10-主路由器,11-集成面板,12-空调功放。a - ECO 模式开关,b - 正常模式开关,c - 运动模式开关,d - 雪地模式开关
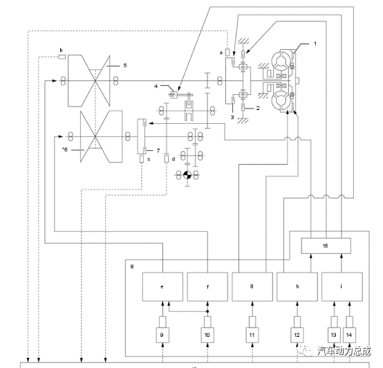
无级变速器 K320。1-闭锁离合器,2-B1制动器,3-C1离合器,4-伺服驱动,5-初级皮带轮,6-次级皮带轮,7-C2离合器,8-阀块,9-SLP,10-SLS,11- SLU,12 - SLG,13 - SL2,14 - SL1,15 - 手动阀,16 - TCM。a - NC1, b - NT, c - NSS, d - NOUT, e - 车速控制, f - 皮带轮压力控制, g - 锁控制, h - 伺服/刹车压力控制, i - 离合器控制
无级变速器 K320。1 - SLG, 2 - SL1, 3 - SL2, 4 - SLU, 5 - CVT工作液温度传感器, 6 - SLP, 7 - SLS, 8 - CVT油冷却器, 9 - NC1, 10 - NT, 11 - 油压传感器,12 - NSS,13 - NOUT,14 - 启动禁止开关,15 - 离合器行程传感器
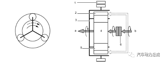
1-初级皮带轮,2-次级皮带轮,3-钢带,4-差速传动齿轮,5-差速齿圈,6-差速器,7-减速从动齿轮,8-减速传动齿轮,9-主轴,10-前进离合器,11 - 倒车制动器,12 - 行星齿轮
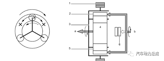
向前/向后移动
1 - 倒车制动器,2 - 卫星,3 - 太阳轮,4 - 托架,5 - 本轮,6 - 前进离合器 |
前进驱动:前进离合器 - 关闭,扭矩通过太阳齿轮进入并输出到主皮带轮。
1 - 倒车制动器,2 - 本轮,3 - 托架,4 - 太阳轮,5 - 卫星轮,6 - 前进离合器。a - 出口,b - 入口
反向运动:扭矩通过本轮进入,通过卫星(由反向制动器保持)传递到太阳轮,因此齿轮和初级皮带轮反向旋转。
1 - 倒车制动器,2 - 本轮,3 - 托架,4 - 太阳轮,5 - 卫星轮,6 - 前进离合器。a - 出口,b - 入口
运动方式
范围 D(低滑轮比),前进离合器打开,后退制动关闭。1-初级皮带轮 2-钢带 3-次级皮带轮 4-主传动从动齿轮 5-减速机从动齿轮 6-减速机主动齿轮 7-主传动主动齿轮 8 - 前进离合器,9 - 输入轴,10 - 倒车制动器
范围 D(高滑轮比),前进离合器打开,后退制动关闭。1-初级皮带轮 2-钢带 3-次级皮带轮 4-主传动从动齿轮 5-减速机从动齿轮 6-减速机主动齿轮 7-主传动主动齿轮 8 - 前进离合器,9 - 输入轴,10 - 倒车制动器
范围 N,前进离合器关闭,倒车制动关闭。1-初级皮带轮 2-钢带 3-次级皮带轮 4-主传动从动齿轮 5-减速机从动齿轮 6-减速机主动齿轮 7-主传动主动齿轮 8 - 前进离合器,9 - 输入轴,10 - 倒车制动器
R 档,前进离合器关闭,倒车制动开启。1-初级皮带轮 2-钢带 3-次级皮带轮 4-主传动从动齿轮 5-减速机从动齿轮 6-减速机主动齿轮 7-主传动主动齿轮 8 - 前进离合器,9 - 输入轴,10 - 倒车制动器
组成部分
减速机的主动小齿轮由滚柱轴承支撑。
1 - 主动齿轮,2 - 轴承,3 - 从动齿轮
油泵——传统的摆线型,直接安装在输入轴上。
1 - 油泵,2 - 泵壳,3 - 主动齿轮,4 - 从动齿轮,5 - 定子轴,6 - 泵盖(定子)。a - 入口,b - 低压出口,c - 高压出口 |
注:文章中引用数据和图片来源Toyota-Club.Net
工程师必备
- 项目客服
- 培训客服
- 平台客服
TOP




















