1 前言
在电机设计特别是新能源汽车永磁同步电机设计过程中,通常需将电机与控制系统进行矢量控制算法联合仿真,以得到更加精确得仿真分析结果。控制系统联合仿真过程中,由于控制器开关频率高,仿真步长短,计算时间长等特点,如果直接将有限元模型直接与控制系统进行联合仿真,仿真时间跟速度通常无法满足工程需要。为此,介绍一种永磁同步电机降阶模型抽取方法,通过对永磁电机有限元结果进行降阶抽取,等效抽取的结果是基于有限元计算得到的数据表,在控制系统联合仿真过程中只需通过查表得方法就能得到电机得性能,因此将抽取后的结果应用到系统仿真中,既保证了精度也提高了速度。

控制系统联合仿真电路模型
2 永磁同步电机降阶模型原理
将永磁同步电机的电流及转子位置角度进行扫描,在有限元里面进行分析计算,得到永磁电机的转矩跟磁链结果,将这些结果保存在一个数据表中,由于转矩跟磁通结果是经过有限元计算得到的,因此数据表的精度非常高。若将这个数据表放到控制系统仿真当中,则计算结果非常快,只需在里面查表就可得到电机的电磁性能。




在Maxwell有限元场计算中,有限元模型对电流和转子位置角扫描,扫描后得到的有限元结果通过降阶模型保存在数据表中形成ECE模型,可将ECE模型直接在Simplorer(Twin-Builder)进行分析计算,也可以将ECE模型送到控制当中进行高级控制系统仿真。

由于抽取的ECE结果是基于有限元计算得到的,因此ECE结果精度非常高,与有限元结果几乎一样。

ECE与FEA结果对比
3 永磁同步电机降阶模型简介
ECE模型又称ROM降阶模型、状态空间模型,它是基于表格的电路模型,表格参数来源于预先的有限元计算结果。ECE模型可用于控制电路分析、系统分析(TwinBuilder/Simplorer)、HIL分析(ETAS,NI)。它具有模型计算速度快,精度高的优点。模型精度与扫描密度有关,ECE模型暂不支持涡流及磁滞模型。

4 ECE模型提取流程(以永磁同步电机PMSM为例)

ECE模型提取流程
5 IPM电机ECE模型抽取
①设置初始位置角度。将电机D轴与A相绕组的轴线对齐,以保证A相空载反电势相位为0,同时保持其他瞬态参数设置不变,如绕组、模型深度、对称性等。该步骤为必需项。

②将三相绕组的激励方式改成外电路。该步骤只是用于ECE模型抽取,与电机实际需不需要设置外电路无关。

③编辑外电路。外电路只需要包含三个元件,分别是,三相绕组电流扫描元件ECE3、转子位置角度扫描原件ECER及Ground。

④编辑电流扫描元件:ECE3。Windings中设置三相绕组的名称,名称必须与Maxwell设置一一对应,同时以逗号隔开。设置电流电流扫描区间(30A, 10),电流扫描间隔30A为一个阶梯,共10个阶梯。
若设置 PhAngIntervals值为2, 软件将以DQ方式进行电流扫描,IdIq计算点包括-300A, -270A, …,-30A,0,30A,…,270 A, 300A。

PhAngIntervals 参数设置有三大类。根据PhAngIntervals不同的取值定义以下三种不同的电流扫描方式:
1) PhAngIntervals =0,1,2。取该值表示在Cartesian DQ坐标系中,在定义的扫描电流范围内进行交直轴电流扫描。值为0表示只对d轴、q轴正半轴扫描,负轴通过等效映射的方法获得;值为1表示d轴全扫描而q轴只对其正半轴扫描;值为2表示对d轴、q轴正负轴均扫描。

2)PhAngIntervals= 3。取该值表示在αβ坐标系中,在定义的扫描电流范围内进行αβ轴电流扫描。
3)PhAngIntervals >=12。取该值表示在极坐标系中进行dq轴扫描。
如PhAngIntervals =16

⑤编辑转子角度扫描:ECER。对于三相对称电机,一般需要对模型进行60度电角度扫描,RotAngMax设置为60度电角度;RotAngIntervals设置为合理的数字,如默认值15;Poles设置为电机的极数。

对单个60度电角度进行扫描,通过数据重构可得到360度电角度数据。

通过对元件的设置,可以估算出总共需要扫描的点数。例如:

由于Id =-300A, -270A, …, -30A,0,30A,…, 270 A, 300A共11个点(包含0),Iq =-300A, -270A, …, -30A,0,30A,…, 270 A, 300A共10个点(不包含0)。因此得到电流扫描点数为(10*2+1)^2 = 441 种Id-Iq 组合,由于转子位置点: 0 deg (d-axis), 1 deg, 2 deg, 3 deg,…,14deg,共15个转子位置点,对于每一个Id-Iq组合,需要计算扫描15个转子位置,才能重构到360度电角度,因此总共需要扫描的点数为 441 * 15 =6615个
⑥生成/导入sph文件,并进行计算。求解时间和时间步长,不用特殊设置,计算所需时间与扫描密度相关。ABC三相流及转子位置角度有限元计算结果如下所示。

ABC三相电流

转子位置角
⑦ ECE模型导入。计算完成后,可通过两种方法将生成的ECE模型导入到Simplorer中。
方法一:进入Simplorer,进行如下操作:Simplorer Circuit > Subcircuit > Maxwell Component > AddEquivalent Circuit。
1)选择与ECE Solution 对应的Maxwell 工程;
2)选择与ECE Solution 对应的Maxwell 设计;
3)在弹出的对话框中选择 Show > Pin Description;
4)Transient (Fast)必须默认勾选,然后单击Extract Equivalent Circuit,确定。

方法二:通过输入the *sml 文件。该文件可以求解完成的Maxwell project 中名为ECE的 setup的结果文件folder/ECE中找到。。
1)进行如下操作:Tools (menu bar) > Project tools > Import Simplorer Models >Select ece_model.sml > Open;
2)选择如下目录的“ece_model.sml”文件: @Projectdirectory\Prius_Model_ECE_Lecture.aedtresults\Maxwell2DDesign1.results\DV172_SOL58_V239.ECE\ece_model.sml;
3)一个新的部件ECER_Model1 被加进了当前的Design。
通过以上两种方法在Simplorer中生成功能相同的ECE模型。

通过对比有限元结果(Maxwell_FEA)及Simplorer/TwinBuilder中的ECE模型计算的三相电流、输出转矩结果。可知降阶后的ECE模型精度与有限元结果几乎一致。

三相电流结果对比

输出转矩结果对比

负载转矩结果对比
通过对比结果可知,采用有限元计算及降阶ECE模型计算得到的结果几乎完全一样,降阶的ECE模型的精度得到了保证,同时计算速度也较有限元计算快。
6 矢量控制算法仿真
矢量控制亦称磁场定向控制(FOC),其基本思路是:通过坐标变换实现模拟直流电机的控制方法来对永磁同步电机进行控制,其实现步骤如下:
1)根据磁势和功率不变的原则通过正交变换,将三相静止坐标变换成二相静止坐标,也就是 Clark变换,将三相的电流先转变到静止坐标系,再通过旋转变换将二相静止坐标变成二相旋转坐标,也就是 Park变换,Park变换中定子电流矢量被分解成按转子磁场定向的 2 个直流分量 id、iq(其中id为励磁电流分量,iq为转矩电流分量)。
2)通过控制器对其速度电流环进行控制,控制id就相当于控制磁通,而控制 iq 就相当于控制转矩。Iq 调节参考量是由速度控制器给出,经过电流环调节后得出其 d,q 轴上的电压分量即 ud 和 uq。.
3)控制量 ud 和 uq 通过 Park 逆变换。
4)根据SVPWM 空间矢量合成方法实现矢量控制量输出,达到矢量控制的目的。
① Clark变换。Clark变换是3相交流电机矢量控制(FOC)控制的一个重要变换,在保证旋转磁场不变的约束条件下,把电参数从A、B、C三相静止坐标系变换到Alpha、Betal两相静止坐标系。也可以进行Clark反变换。

Clark变换原理

通过调用Simplorer标准库模块可实现Clark正变换。

Clark正变换模块
通过调用Simplorer标准库模块也可实现Clark逆变换。

Clark逆变换模块

② Park变换。Park变换3相交流电机矢量控制(FOC)控制的一个重要变换,把电参数从Alpha、Betal两相静止坐标系变换到d、q两相旋转坐标系,核心思路是把两相静止坐标系上的变量变换到两相旋转坐标系上的常量,也可以进行Park反变换。

Park变换原理
通过调用Simplorer标准库模块可实现Park正变换。

Park正变换模块

通过调用Simplorer标准库模块也可实现Park 逆变换。

Park逆变换模块
Simplorer中也可以将Clark变换和Park变换组合起来使用。

Clark变换和Park变换组合
③ SVPWM空间矢量调制变换。SVPWM变换根本上是实现两相静止坐标系到三相静止坐标系的变换,输出的6个开关变量可以直接驱动三相逆变器的6个开关,得到三相调制后的正弦电压。和传统的SPWM方法相比,SVPWM有利于减小输出电流谐波,开关损耗小,提高母线电压利用率。

SVPWM空间矢量调制变换

将SVPWM控制信号进一步细化结果区间得到如下结果:

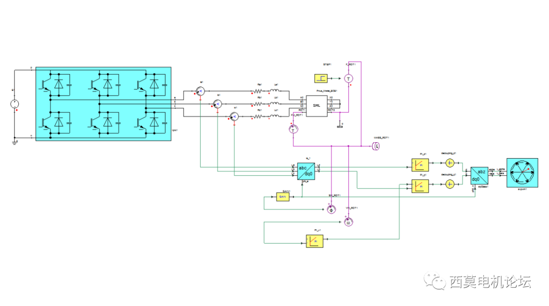
基于Clark变换、Park变换、SVPWM空间矢量变换等前提条件,可搭建出永磁同步电机的矢量控制系统电路。该控制系统基于电流环、速度环的双闭环控制,逆变桥等模块可在库中直接调用。电机模型降阶后通过*.sml file形式得到ECE降阶模型,在控制系统中参与矢量控制算法仿真,永磁同步电机矢量控制系统联合仿真模型如下图所示。

永磁同步电机矢量控制系统联合仿真模型
7 总结
通过对永磁同步电机降阶模型抽取得到数据表,等效抽取的结果是基于有限元计算得到的,在控制系统联合仿真过程中只需通过查表的方法就能快速得到电机得性能,既保证了精度又保证了速度。在控制系统联合仿真过程中具有重要的意义。同时将电机模型与控制系统进行系统性联合仿真将有助于提高仿真准确度,为进一步优化电机本体及控制器策略提供了重要的参考意义。