「新技术分享」晶闸管辅助熄弧混合式变压器有载分接开关
2022年8月15日 15:01新能源的大量接入导致电网电压波动更加频繁,动态调节变压器变比是维持区域电网电压稳定的重要手段,而有载分接开关(OLTC)则是在不停电情况下调节变压器变比的关键设备。目前国内110kV及以上电压等级大容量变压器采用的OLTC按熄弧介质可分为油中熄弧和真空熄弧两种。
油中熄弧式OLTC由于熄弧过程通过铜钨触头对在绝缘油中拉弧完成,多次切换后触头会发生严重烧蚀,绝缘油在电弧的作用下分解会产生可燃性气体,还会产生微量金属颗粒,因此需要定期对绝缘油和电极表面进行维护;真空熄弧式OLTC熄弧时的截流会造成电压过冲,严重时会造成变压器分接绕组绝缘损伤,此外真空灭弧室中的触头开距要明显小于油中的开距,一旦发生真空失效便易发生短路事故,因此对工艺控制的要求极高。
针对上述问题,中国电力科学研究院有限公司和山东泰开电力设备有限公司联合研制了晶闸管辅助熄弧混合式OLTC,它采用电力电子器件作为灭弧器件,持续通流由金属触头来完成,兼顾了低通态损耗与无弧切换。此外还通过特殊的机械结构与动作时序设计实现了晶闸管的无源触发(触发过程无需二次电源与控制回路),并建立了晶闸管模块在切换完成后的退出机制,实现了产品的免维护与长寿命。
基本原理
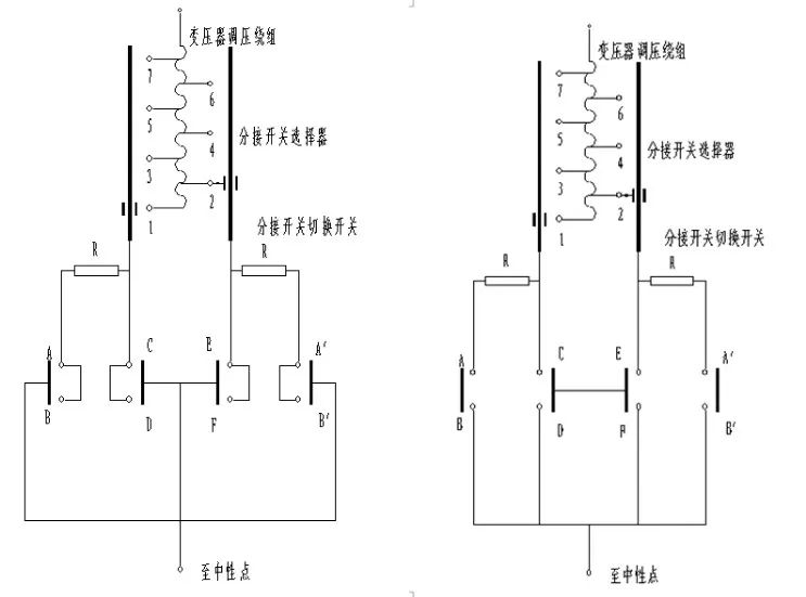
(一)串联双断口改进型KM开关原理
图2-1
KM型开关切换原理图
(并联双断口)
图2-2
改进型KM开关原理图
(串联双断口)
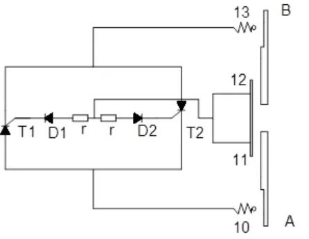
(二)晶闸管模块无源触发原理
图2-4 晶闸管无源触发机构简电路
图2-5 混合式开关结构示意图
(三)混合式OLTC切换过程
|
|
|
|
|
|
|
|
|
|
|
|
|
|
|
|
|
|
|
|
|
|
|
|
|
|
|
|
|
|
|
|
|
|
|
|
|
|
|
|
技术优势
(1)根本解决切换过程电弧使绝缘油劣化的问题
(2)机械结构上完全可替代传统OLTC,且不存在电力电子器件通态损耗问题
(3)晶闸管模块无二次触发电路,结合退出机制,保证晶闸管模块动作可靠
现阶段取得的成果
已完成35kV、110kV和220kV混合式OLTC的样机研制,依据现行标准通过了型式试验,成为目前唯一成功按照现行OLTC标准通过型式试验的混合式OLTC。产品在喀麦隆、巴基斯坦等国家的水电站升压变压器中应用,在国内湖北电力、西藏电力、中广核风电有限公司等30多台变压器中应用,产品的现场运行情况良好。
2015年3月通过中国电机工程学会组织的新技术鉴定,鉴定委员会一致认为“项目研究成果创新了有载分接开关切换技术,达到国际领先水平”。
2016年混合式OLTC写入了国家电网公司新技术目录(2016版)。
2017年11月获得中国电力企业联合会2017年全国各电力职工技术成果奖一等奖,“110kV电力变压器用晶闸管辅助熄弧混合式有载分接开关的研制与应用”。
2018年获国家电网有限公司职工技术创新“双越之星”优秀成果奖银奖,“晶闸管辅助熄弧混合式变压器有载分接开关”。
2019年在修订版的国标《GB/T 10230.1-2019 分接开关 第1部分:性能要求和试验方法》中,将无弧OLTC 作为真空型OLTC和非真空型OLTC之外的第三种OLTC型式,同时将混合式OLTC定义为无弧OLTC的主要型式。
2019年获中国电力科学研究院有限公司专利奖。
2021年获国家电网有限公司专利奖二等奖。
文章来源:EPTC
免责声明:本文系网络转载,版权归原作者所有。如涉及版权,请联系删除!
工程师必备
- 项目客服
- 培训客服
- 平台客服
TOP




















