AMESim调速回路仿真:调速阀节流调速回路的仿真及实验
基于AMESim 建立了调速阀进油路节流调速回路仿真模型,分析了回路速度-负载特性,得出了速度-负载曲线; 建立了调速阀元件仿真模型,推导出了考虑泄漏的液压缸速度-负载特性表达式,分析研究了液压缸泄漏对系统稳定性的影响;
调速阀式调速回路如图1 所示,调速阀由差动减压阀和节流阀两部分组成。当液压缸的负载力Fx发生变化时,如果调速阀前后的工作压差( P1-P3) 处于它最小压差范围( 一般为0.5 ~ 1 MPa) 内,减压阀无法感知压差的变化,此时减压弹簧不起作用,节流阀前后压差( P2-P3) 的变化导致回路中流量发生改变,从而使执行元件的速度发生相应波动; 如果调速阀前后的工作压差超过它的最小压差,它会不断调节自身弹簧的伸长量使流入节流阀的压力P2 发生变化,保证节流阀前后的压差始终相等,以达到使执行元件的速度维持恒定的目的。
调速阀式调速回路
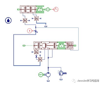
根据调速阀节流调速回路工作原理,利用AMESim软件搭建的不考虑及考虑液压缸泄漏的仿真模型如下图所示。
不考虑泄漏的AMESim 回路仿真模型
考虑泄漏的AMESim 回路仿真模型
各子模型的参数设计如下表。其他参数保持默认。
下图考虑流体泄漏的仿真模型在外加负载分别为2350 N、2950 N、3520 N 下的液压缸活塞速度随时间的变化曲线。
从仿真结果看出,在仿真时间为2 s 时,各个压力下所对应的速度值分别为: 0.042 398 25 m/s,0. 033 085 3m/s,0.003 884 128 m/s。可以发现随着外加负载的增加,活塞的运动速度开始降低,并随着仿真时间的增加,速度的降低幅度越大。图6 为没有考虑流体泄漏的仿真模型在外加负载分别为2 350 N、2 950 N、3 520 N 下的液压缸活塞速度随时间的变化曲线。从仿真结果看出,在仿真时间为2 s 时,各个压力下所对应的速度值分别为: 0.042 144 06 m/s,0.032 822 71 m/s,0.003 739 707 m/s。
仿真结果表明,随着外加负载的增加,活塞的运动速度也有一定程度的降低。但是相比泄漏模型,此模型仿真结果中发现,在相同的外加负载增加时,速度降低的幅度要小。分析可能是因为随着负载的增加,泄漏模块中的泄漏量增加,致使活塞的速度下降幅度增加。为了对上面的假设进行验证,下面通过改变UD00 值的大小: 分别取值为2 520 N、3 020 N、3 520 N、4 020 N,来仿真不同负载下通过活塞流量数值的大小。从仿真结果可以看出,在仿真时间为2 s 时,负载越大,流经液压缸的流量越小,说明泄漏量越大,越影响活塞速度的大小。在定性得出了流量泄漏与活塞运动速度的关系之后,进一步对其进行定量的仿真分析,采用考虑泄漏的仿真模型,去外加负载为3 520 N,改变BAF01 参数泄漏量的大小,采用并行仿真的方法,得到仿真结果曲线如图8。
不同负载下的液压缸泄漏流量的大小
不同泄漏间隙下液压缸的速度变化曲线
上图 定量分析了泄漏量对阀芯速度大小及稳定性影响,改变BAF01 模型参数,分别对泄漏模块中clearance ondiameter 取值为0.2 mm、0.25 mm、0.3 mm、0.35 mm,定量的分析泄漏量对阀芯速度的影响。发现在仿真时间为2 s时,所得出的活塞运动速度分别为0. 003 739 7 m/s、0.003 459 0 m/s、0.003 015 6 m/s、0.002 377 1 m/s,得出随着液压缸泄漏量的增大,活塞的速度逐渐降低。
在上图中,取仿真结果中活塞泄漏间隙为0.2 mm,时间t = 2 s 时曲线上的活塞运动速度值0.003 739 7 m/s,并将此速度及泄漏间隙值0.2 mm 代人之前所求的考虑泄漏量的速度表达式( 4) 中,计算出泄漏量的值为0.012 319L/min,与上图 中外加负载为3 520 N 仿真得出的0.012 300 2 L/min 基本一致。
文章来源:amesim学习与应用
工程师必备
- 项目客服
- 培训客服
- 平台客服
TOP




















