CCUS前沿研究-中国矿业大学陆诗建团队:国能锦界电厂15万吨/年二氧化碳捕集净化项目研究与设计经验
中国矿业大学碳中和研究院研究员陆诗建,近日在国际分离纯化领域著名期刊《Separation and Purification Technology》上发表了题为“Research and design experience of a 150 kt/a CO2 capture and purification project in the Shaanxi Guohua Jinjie power plant ”的研究论文。该文章第一作者为中国矿业大学碳中和研究员陆诗建;通讯作者为中国矿业大学碳中和研究院陆诗建研究员、浙江大学方梦祥教授、锦界电厂高级工程师高礼以及中石化石油工程建设公司正高级工程师李清方。
图文摘要|Graphical abstract
图1 项目三维效果图
图2 项目全景图
文章简介|Introduction
本文介绍了150kt/a 烟气CO2捕集项目的背景,该项目是国内已建成的规模最大的烟气碳捕集项目。项目目标是建设国内首个燃烧后CO2捕集与咸水层封存示范工程,优化燃烧后CO2捕集咸水层封存全过程系统,掌握关键技术,实现低能耗燃煤电厂碳捕集与近零排放。对捕集系统的工艺与消耗进行了分析,进行了全系统节能优化,蒸汽消耗≤1.27 t/t CO2,吸收剂损失≤1.0 kg/t CO2,对工程健康、安全、环保进行了论述,并提出了运行分析测试方案。
引言
2019年,中国碳排放量超过110亿吨,约占全球碳排放量的30%,实现碳中和所需的碳减排远高于其他国家。在2015年11月的巴黎气候大会上,中国提出了二氧化碳减排目标,中国的二氧化碳排放量将在2030年达到峰值,单位GDP二氧化碳排放量将比2005年减少60-65%。2016年9月,中国在G20峰会上率先签署了气候变化《巴黎协定》,在第七十五届联合国大会一般性辩论上提出中国将提高国家自主贡献力度,采取更加有力的政策和措施,二氧化碳排放力争于2030年前达到峰值,努力争取2060年前实现碳中和。因此,减少二氧化碳排放已成为中国的一项重要发展战略,国务院和各部委也出台了一系列支持减排的政策。
在碳中和的背景下,CCUS作为碳中和的兜底技术,迎来了快速发展的窗口期。《中国二氧化碳捕集利用与封存(CCUS)年度报告(2021)-中国CCUS路径研究》中,对CCUS进行了重新定位:CCUS是目前实现化石能源低碳化利用的唯一技术选择,是碳中和目标下保持电力系统灵活性的主要技术手段。国能锦界电厂积极响应国家号召,进行了15万吨/年燃煤机组CO2捕集与驱油封存CCUS项目建设与示范,发挥了央企社会责任,契合国家“双碳”发展战略。
图文导读
图3 锦界电厂CO2捕集工艺原理图
项目设计CO2捕集规模15万吨/年,操作弹性为50%-110%,烟气处理量为100000 Nm3/h,捕集率大于90%,产品气纯度>99.5v%,设计再生能耗<2.4G J/t CO2,实际运行能耗值为2.35G J/t CO2。
针对燃煤电厂烟气中CO2分压低、成分复杂等特点,为实现低成本低消耗CO2捕集,本项目应用了新型低能耗多氨基复合胺CO2吸收剂先进材料降低能耗,对相变吸收体系、离子液体进行了兼容性设计;应用了塑料填料吸收塔降低设备成本,降膜式煮沸器提高解吸能效,全焊接式换热器避免溶液泄漏,超重力反应器减少占地面积;集成了“机械蒸汽再压缩(MVR)热泵+级间冷却+分级流解吸”节能工艺降低蒸汽耗量,应用了碱洗预处理以及高效除雾工艺技术减少溶剂损耗。工艺原理图如图3所示。
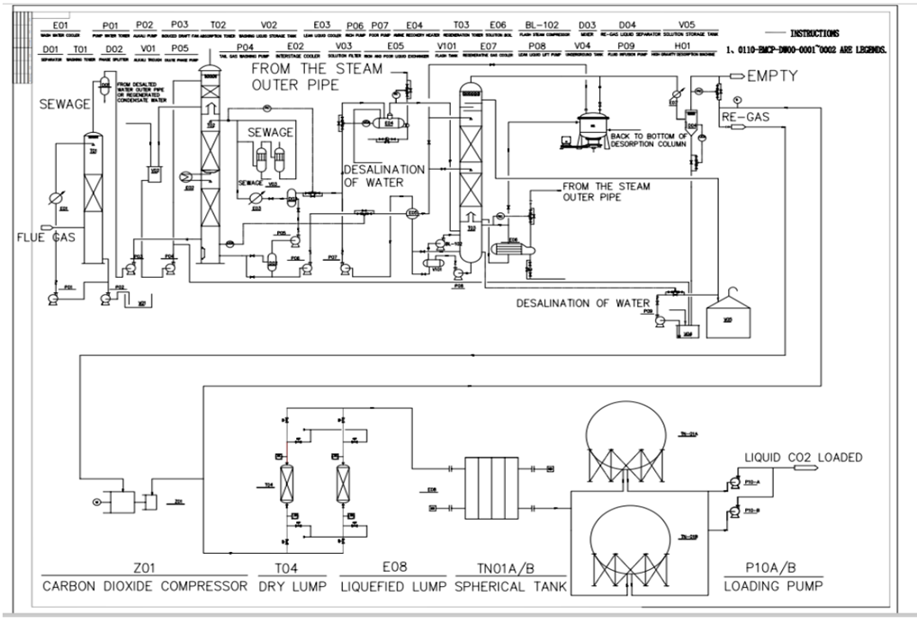
根据功能,生产工艺过程可分为捕集净化、压缩、干燥、液化和储存单元。图4显示了锦界电厂15万吨/年CO2捕集工程工艺流程图。
图4 锦界电厂CO2捕集工程系统流程图
系统工艺为:净烟气从脱硫吸收塔出口经碱洗预处理后,进入捕集装置进行CO2回收处理。采用复合胺吸收剂吸收烟气中的CO2。烟气从塔底进入吸收塔,与吸收液在塔内逆向接触。在冷却方面,采用级间冷却工艺对吸收塔吸收段第二段填料下的半富液进行冷却。这样做是为了降低反应热量,提高捕集效率与吸收负载。CO2吸收后,5%-10%的富液经塔底富液泵加压后,直接输送至再生塔顶部,剩余的富贫液换热器进行热回收,再输送至再生塔。解吸后的CO2与水蒸气分离除去水分,得到纯度在99.5%以上(干基)的产物CO2气体,进入后续压缩过程。CO2在螺杆式压缩机中增压至2.5MPa(g)后进入低温液化装置,液化后进入650 m3的球罐中进行储存。从再生气体中分离出来的冷凝水被送回地下储罐,并利用补液泵不断地为再生塔进行补液。
项目占地76 m×67 m,2021年6月正式投运,是当前中国国内已投运的最大规模烟气碳捕集工程。
图5 锦界电厂CO2捕集工程占地三维效果图
主要结论|Conclusions
本研究介绍了国能锦界电厂15万吨 /年烟气二氧化碳捕集项目的背景信息,该项目是中国目前已建成的规模最大的烟气碳捕集项目。本项目的目标是建设国内首个燃烧后CO2捕集与咸水层封存示范工程,优化燃烧后CO2捕集与咸水层封存整个工艺体系,掌握关键技术,实现燃煤发电。该工厂几乎零排放。项目过程实现了复合胺吸收剂、相变吸收剂、离子液体三种吸收剂的兼容性,集成了MVR热泵、级间冷却和分流解吸三种节能工艺,CO2单位产品再生能耗为2.35 GJ/t CO2。
主要作者介绍
第一作者、通讯作者
陆诗建 研究员
工作单位:中国矿业大学碳中和研究院
邮件地址:lushijian@cumt.edu.cn
陆诗建,化学工程专家,中国矿业大学研究员,中科院山西煤化所兼职研究员,浙江大学访问学者。二氧化碳捕集、利用与封存全国循环经济实验室常务副主任,校青年学术带头人,中国能源学会副主任委员,碳中和专业委员会秘书长,全国碳排放管理标委会CCUS标准化工作组成员,中国CCUS产业联盟青年学者沙龙工作组成员。从事碳捕集、利用与封存(CCUS)技术研究与产业化应用13年,先后主持了中欧国际合作项目1项,国家重点研发计划专题2项,中国工程院咨询项目2项,江苏省“双碳”课题2项,宁波市“双碳”重大项目1项,四川省科技厅项目1项,参加国家重点研发计划课题2项,承担企业横向技术开发项目20余项,发表论文120余篇,获专利授权63件,荣获省部级科技奖励12项。
工程师必备
- 项目客服
- 培训客服
- 平台客服
TOP




















