电机振动噪声建模分析:基于ANSYS Workbench平台的电机电磁噪声仿真分析
2023年6月20日 13:31电动机与发电机等电力设备的噪声起因很多,有电磁振动噪声、机械噪声及流致噪声等等,本文通过ANSYS公司的官方案例为操作背景,详细介绍如何将作用在定子上的瞬态电磁力作为结构谐响应分析的载荷计算振动噪声。
1.电磁模型建立与分析
如图1所示为一个电机模型,电机的额定输出功率为550W,额定电压为220V,极对数为4,定子齿数为24个,转子的转速为1500rpm,求电磁振动产生的噪声大小。
本算例使用的模块如下:
RMxprt模块:建立电机类型;
Maxwell模块:2D瞬态电磁场计算;
Structural 模块:3D谐响应分析计算;
Acoustics ACT模块:噪声计算
注:Acoustics ACT模块需要单独安装,请用户到官方网站上自行下载。
图1 电机模型
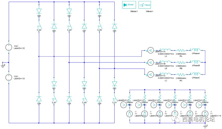
电机的电路模型如图2所示。
图2 电机电路模型
1)启动Workbench。在Windows XP下单击“开始”→“所有程序”→ANSYS15→Workbench15命令,即可进入Workbench主界面。
2)保存工程文档。进入Workbench后,单击工具栏中的按钮,将文件保存为“zhendongzaosheng.wbpj”,单击Getting Started窗口右上角的(关闭)按钮将其关闭。
3)双击Toolbox→Analysis System→RMxprt模块建立项目A,如图3所示。
4)双击项目A中的A1栏进如RMxprt电机设置平台,如图4所示。
图3 RMxprt模块 图4 RMxprt平台
5)依次选择菜单RMxprt→Machine Type,在弹出的电机类型选择对话框中单击Generic Rotating Machine选项,单击OK按钮,如图5所示。
6)单击Project Manager→RMxprt→Machine选项,在下面出现属性设置对话框中作如下设置:
在Source Type栏中选择AC选项;
在Structure栏中选择Inner Rotor选项;
在Stator Type栏中选择SLOT_AC选项;
在Rotor Type栏中选择PM_INTERIOR选项,如图6所示。
图5 RMxprt模块 图6 RMxprt平台
7)单击Project Manager→RMxprt→Machine→Stator选项,在下面出现属性设置对话框中作如下设置:
在Number of Poles栏中输入4;
在Number of Slots栏中输入24;
在Slot Type栏中单击1按钮,此时弹出Select Slot Type对话框;
在对话框中单击2按钮,并单击OK按钮,如图7所示,此时Slot Type栏中的按钮将显示为2。
8)单击Project Manager→RMxprt→Machine→Stator→Core→Slot选项,在下面出现属性设置对话框中作如下设置:
取消Auto Design选项;
在Hs0栏中输入0.5,单位保持默认即可;
在Hs1栏中输入1;
在Hs2栏中输入8.2;
在Bs0栏中输入2.5;
在Bs1栏中输入5.6;
在Bs2栏中输入7.8,如图8所示。
图7 Stator设置 图8 Slot设置
9)单击Project Manager→RMxprt→Machine→Stator→Core选项,在下面出现属性设置对话框中作如下设置:
在Outer Diameter栏中输入120,单位保持默认即可;
在Inner Diameter栏中输入75;
在Length栏中输入65;
在Stacking Factor栏中输入0.95;
在Steel Type栏中单击按钮;
在材料选择对话框中选择M19_24G_2DSF0.950材料单击确定按钮,如图9所示。
图9 Core设置
10)单击Project Manager→RMxprt→Machine→Stator→Winding选项,在下面出现属性设置对话框中作如下设置:
在Winding Layers栏中输入2;
在Winding Type栏中选择Whole-Coiled选项;
在Parallel栏中输入1;
在Conductor Per栏中输入52;
在Coil Pitch栏中输入5;
在Number of Strands栏中输入1;
在Wire Size栏中选择Diameter设置导线尺寸。
在Conductor Type中单击按钮选择Copper材料单击确定按钮,如图10所示。
切换到End/Insulation选项卡中,取消Input Half-turn length选项;
在Correction中输入1;
在Slot Liner栏中输入0;
在Layer Insulation栏中输入0;
在Limited Fill Factor栏中输入0.75;
图10 Winding设置
11)单击Project Manager→RMxprt→Machine→Rotor选项,在下面出现属性设置对话框中作如下设置:
在Number栏中输入4,如图11所示;
12)单击Project Manager→RMxprt→Machine→Rotor→Core选项,在下面出现属性设置对话框中作如下设置:
在Outer Diameter栏中输入74;
在Inner Diameter栏中输入26;
在Length栏中输入65;
在Stacking Factor栏中输入0.95;
在Steel Type栏中选择M9-24G材料,如图12所示;
在Pole Type栏中选择3。
图11 Rotor设置 图12 Core设置
13)单击Project Manager→RMxprt→Machine→Rotor→Core→Pole选项,在下面出现属性设置对话框中作如下设置:
在D1栏中输入73;
在O1栏中输入1;
在O2栏中输入6;
在B1栏中输入3;
在Rib栏中输入12;
在HRib栏中输入4;
在Layers栏中输入1;
在Magnet Thickness栏中输入3.75;
在Magnet Width栏中输入36.835;
在Magnet Type栏中选择XG196/96材料,如图13所示。
14)单击Project Manager→RMxprt→Machine→Rotor→Shaft选项,在绘图区域将出现转子定子模型,在下面出现属性设置对话框中作如下设置:
在Frictional Loss栏中输入12;
在Reference Speed栏中输入1500,如图14所示。
图13 Pole设置 图14 Shaft设置
15)选择菜单RMxprt→Analysis Setup→Add Solution Setup子菜单,在出现的Properties对话框中作如下设置:
选择Enabled选项;
在Operation栏中选择Motor选项;
在Load Type栏中选择Const Torque选项;
在Rated Output栏中输入550;
在Rated Voltage栏中输入220;
在Rated Speed栏中输入1500;
在Operating栏中输入75,单击确定按钮,如图15所示。
16)选择菜单RMxprt→Design Settings子菜单,在出现的RMxprtDesign Settings对话框中作如下设置:
选择Enabled选项,单击确定按钮,如图16所示。
注:Maxwell程序的缺省设置为使用最小几何数据格式,此处设置为到处全模型的数据。
图15 求解器设置 图16 RMxprt设置
17)选择菜单RMxprt→Analysis All子菜单,进行计算,当计算结束后,通过RMxprt→Analysis Setup→Create Maxwell Design子菜单将RMxprt模型导出到Maxwell中,此时将启动脚本语言进行数据传递,传递完成后如图17所示。
图17 数据传递
18)选择菜单RMxprt→Analysis All子菜单,进行计算,当计算结束后,通过RMxprt→Analysis Setup→Create Maxwell Design子菜单将RMxprt模型导出到Maxwell中,此时将启动脚本语言进行数据传递。
19)右键选择Stator,在弹出的快捷菜单中依次选择Edit→Delete命令,将Stator几何删除,如图18所示。
20)依次选择菜单Modeler→Import子菜单,在弹出的如图19所示对话框选择文件名为assm_LumpedForceMapping_stator.dxf的几何文件。
图18 删除几何 图19 导入几何
21)选择导入几何中的面积最大的几何体,按住键盘上的Ctrl键,选择所有导入的几何体,依次选择菜单中的Modeler→Boolean→Subtract命令,此时几何实体如图20所示。
22)选中刚操作完的几何实体,将其材料属性设置为M19_24G_2DSF0.950。
23)将其名字命名为Stator1。
24)依次选择菜单Draw→Circle命令创建如图21所示的几何,圆的原点为(0,0,0),半径为39.54mm。
图20 几何实体 图21 创建圆
25)选中Stator1和Circle1两个几何,单击工具栏中的复制/粘贴命令,此时将出现另外两个几何Stator2和Circle2。
26)选中Stator1然后再选中Circle1,依次选择菜单中的Modeler→Boolean→Subtract命令。
27)选中Stator2然后再选中Circle2,依次选择菜单中的Modeler→Boolean→Intersect命令。
28)将操作后剩下的几何命名为ToothTips。
29)选中ToothTips几何,依次选择菜单中的Modeler→Boolean→Separate命令,将几何进行分割如图22所示。
图22 模型分割
30)双击OuterRegion→CteateUserDefinedPart命令,在弹出的如图23所示对话中的DiaYoke栏中将120更改为140,并单击确定按钮。
图23 求解区域
31)选择Rotor几何,依次选择菜单中的Maxwell2D→MeshOperations→Assign→On Selection→Length Based命令,并将其命名为Length_Rotor,设置最大单元长度为0.5mm,单击确定按钮。
32)选择Stator1几何,依次选择菜单中的Maxwell2D→MeshOperations→Assign→On Selection→Length Based命令,并将其命名为Length_Stator,设置最大单元长度为4mm,单击确定按钮。
33)选择所有ToothTips几何,依次选择菜单中的Maxwell2D→MeshOperations→Assign→On Selection→Length Based命令,并将其命名为Length_ToothTips,设置最大单元长度为0.25mm,单击确定按钮。
34)选择Rotor几何外边界线,依次选择菜单中的Maxwell2D→MeshOperations→Assign→Surface Approximation命令,并将其命名为SurfApprox_Rotor,设置最大曲面分割长度为0.001mm,单击确定按钮。
35)选择所有ToothTips几何,依次选择菜单中的Maxwell2D→MeshOperations→Assign→Surface Approximation命令,并将其命名为SurfApprox_ToothTips,设置最大曲面分割长度为0.001mm,单击确定按钮。
通过以上操作后,网格设置将如图24所示。
图24 网格设置
36)双击Analysis→Setup1,在弹出的如图25所示的对话框中作如下设置:
在General选项卡中的Stop time栏中输入0.04;
在Time step栏中输入0.002,单击确定按钮。
37)依次选择菜单Maxwell2D→Excitations→External Circuit→Set Minimum Time Step命令,在弹出的如图26所示的对话框中作如下设置:
将Minimum Time Step栏中的数值改为0,单击OK按钮。
图25 设置求解器类型 图26 初始值
38)开启谐响应力学计算命令。依次选择菜单Maxwell2D→Enable Harmonic ForceCalculation命令,在弹出的如图27所示的对话框中勾选所有ToothTips几何。
图27 电磁力耦合
39)求解计算。右键单击Project Manager中的Analysis→Setup1命令,在弹出的快捷菜单中选择如图28所示的Analyze命令,进行求解计算,求解需要一定的时间。
图28 求解模型
40)在Results选项卡中单击右键,如图29所示,依次选择Create Transient Report→Rectangle Plot,在弹出的对话框的Category中选择Winding,在Quantity栏中选择三个Current,并单击New Report按钮。
图29 后处理
41)显示三项电流变化曲线图如图30所示。
图30 电流变化图
42)如图31所示为不同时刻的转矩图。
图31 转矩图
43)关闭Maxwell平台,回到Workbench平台。
2.结构振动分析环境
1)如图32所示谐响应分析模块。
图32 创建电磁分析环境
2)安装ACT噪声计算模块。依次选择菜单Extensions→InstallExtension命令,在弹出的如图33所示打开对话框中选择ACT_Acoustics_R150_V40.wbex文件。
图33 添加分析模块
3)依次选择Extensions→Manage Extensions命令,在弹出的如图34所示Manage Extensions对话框中选中ExtAcoustics选项,单击Close按钮。
图34 载入分析模块
4)右键选择项目B中的B3(Geometry),在弹出的如图35所示快捷菜单中导入3DStator.agdb格式的文件。
5)单击A4栏不放手直接拖拽到B5栏中,如图35所示。
6)右键选择A4栏,在弹出的如图36所示的快捷菜单中选择Update命令。
图35 数据传递 图36 更新数据
7)双击B3进入到几何建模平台——DM平台中。
选择所有内侧面(共计48个)然后创建Named Selection并命名为ToothTips,如图37所示。
图37 创建命名
8)双击B4进入到Mechanical平台中。
9)在Project→Model(B4)→Mesh命令上单击右键,在弹出的快捷菜单中选择GenerateMesh命令,如图38所示。
10)如图39所示为划分完成后的网格模型。
图38 网格设置 图39 网格模型
本算例将网格划分较粗糙,实际工程中需要对网格进行细化,本算例只在演示网格划分过程。
11)设置计算参数。如图40所示,在。Analysis Settings中做如下设置:
在Range Minimum栏中输入0Hz;
在Range Maximum栏中输入2500Hz;
在Solution Intervals栏中输入25;
在Solution Method栏中选择Full选项;
在Stress栏中选择Yes选项;
在Strain栏中选择Yes选项;
在Calculate Reaction栏中选择Yes选项;
在Save MAPDL db栏中选择Yes选项。
12)如图41所示,添加Insert→FixedSupport命令,在Scoping Method栏中选择Named Selection选项,在NamedSelection栏中选择Bolts选项。
图40 分析设置 图41 边界条件
13)创建坐标系,在如图42所示的设置窗口中进行如下设置:
在Type栏中选择Cylindrical选项,创建圆柱坐标系;
在Origin X和Origin Y栏中输入0;
在Orinin Z中输入1.5e-002;
在Axis栏中选择X;
在Define By栏中选择Global X Axis选项;
在下面的Axis栏中选择Y,其余默认即可。
图42 设置坐标系
14)如图43所示,右键选择Imported RemoteLoads命令,在弹出的快捷菜单中选择GenerateRemote Loads命令,经过一段时间计算,映射完后的力如图44所示,并将所有转矩载荷抑制掉。
图43 导入载荷 图44 力图
15)求解计算。在Transient(B6)中的Solve命令上单击右键,在快捷菜单中选择Solve命令进行求解计算。
16)位移云图。右键单击Solution命令,在弹出的快捷菜单中选择Insert→Deformation→Total命令,添加位移云图,然后执行计算即可得到如图45所示的位移响应云图。
17)应力云图。同样方式可以得到应力分布云图,如图46所示。
图45 位移云图 图46 应力云图
18)谐响应曲线如图47所示。
图47 谐响应图
19)相角曲线显示如图48所示。
图48 相角曲线图
20)各个频率柱状图与数值,如图49所示。
图49 柱状图
3.噪声分析环境
1)右键选择B1,在弹出的菜单中选择复制命令,此时将创建一个项目C,将项目C命名为Acoustic,并删除连接线,如图50所示。
图50 复制项目
2)将项目B中的B6直接拖拽到项目C中的C5中,如图51所示。
图51 数据传递
3)右键单击C3导入几何文件名为Geom.stp的几何,双击C3中进入DM平台,如图52所示,外表面命名为outer,内表面命名为extsurf,并将两个几何From newpart形成一个组件。
图52 导入几何
4)关闭DM平台,回到Workbench平台,双击C4进入Mechanical平台。
5)单击Mesh,添加一个Patch ConformingMethod命令,在如图53所示的窗口中进行网格设置:
在Geometry栏中选择两个几何实体,此时在Geometry栏中将显示2Bodies;
在Method栏中选择Tetrahedrons选项。
6)单击Mesh,添加一个Body Sizing命令,在如图54所示的窗口中进行网格设置:
在Geometry栏中选择两个几何实体,此时在Geometry栏中将显示2Bodies;
在Type栏中选择Element Size选项;
在Element Size栏中输入4.e-002m。
图53 网格类型 图54 网格尺寸
7)置计算参数。如图55所示,在Analysis Settings中做如下设置:
在Range Minimum栏中输入0Hz;
在Range Maximum栏中输入2500Hz;
在Solution Intervals栏中输入25;
在Solution Method栏中选择Full选项;
在Stress栏中选择Yes选项;
在Strain栏中选择Yes选项;
在Calculate Reaction栏中选择Yes选项;
在Save MAPDL db栏中选择Yes选项。
8)噪声体设置。如图56所示,工具栏中单击Acoustic Body命令,在弹出的窗口中做如下设置:
在Geometry栏中选择两个几何实体,此时在Geometry栏中将显示2Bodies;
在Mass Density栏中输入1.0241;
在Sound栏中输入343.24。
图55 分析设置 图56 噪声体设置
9)如图57所示,在extsurf流固耦合表面导入速度边界条件,在Source Bodies中选择All选项。
图57 速度边界
10)如图58所示,在outer表面设置为辐射表面。
图58 辐射边界
11)经过有限元计算后如图59所示为0度相角的声压压强分布。
12)如图60所示为0度相角的声压级分布。
图59 声压 图60 声压级
13)示通过修改计算因子得到A记权的声压级如图61所示。
图61 A记权声压级
4.结论
本操作案例仅介绍了如何在ANSYS Workbench平台上,通过Maxwell电磁模块与Mechanical模块进行电机的电磁结构噪声仿真的操作流程,对电机实际结构进行仿真计算时需要充分考虑电机的结构特点。
文章来源:西莫电机论坛
工程师必备
- 项目客服
- 培训客服
- 平台客服
TOP




















