通过仿真分析汽车的换挡原理

汽车分为手动档以及自动挡,如果你曾经驾驶过手动档汽车,都会有过频繁操作换挡杆的经历。本文将借助 COMSOL 的多体动力学模块建立一个换档杆模型,来研究换挡杆是如何工作的,以及在一个常见的载荷情况下,即“选择第一档”时作用在换挡杆上的力。

修复一辆老式汽车

我在修复一辆老式汽车时,对变速箱工作原理产生了兴趣。设计带有手动挡的汽车,明智的做法是将换挡杆直接放在变速箱的顶部,从地板和(或)中央控制台伸出来。然而,在过去人们认为将换挡杆连接到转向柱上会比较方便因为这样就有可能使前排的长椅坐三个人。
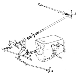
不过,将换挡杆安装在转向柱上也有一些挑战。换挡杆安装在远离变速箱的位置,所以就会出现一个问题:如何将运动从换挡杆向下传递到变速箱。解决这个问题需要使用大量的连杆和铰链。例如下图中一辆正在修复的老式汽车 沃尔沃 121  的换挡杆。
它是如何历经了 50 年的磨损还依然幸存的呢?换挡的时候,作用在各个部件上的力有多大?
通过仿真分析汽车的换挡原理的图1

使用 COMSOL 软件模拟换挡机构

为了回答这些问题,我们选择使用 COMSOL 多体动力学和结构力学模块进行仿真,其中多体动力学模块提供了预定义的功能,可用于定义各部件之间不同类型的关节。 多体动力学模块 扩展了  COMSOL Multiphysics  和 结构力学模块 的功能,使我们能够对机械装配体进行建模。
为了模拟这种行为,我们使用球型、圆柱型、铰链关节和接触面创建了一个模型。选择机构组件为可变形类型,这意味着我们将使用结构力学来计算各个组件的变形。或者将部分或所有组件建模为刚性。最后,作为一个加载序列,为了模拟将变速箱换到一档,将换挡杆向后和向上分两步进行移动。

通过仿真分析汽车的换挡原理的图2换档机构的几何形状,由一系列柔性连接装置构成。左侧图像显示了独立的部件,右侧图像显示了整体组装。

柔性多体分析

为了研究换挡机构的运动,即运动学,我们进行了一个瞬态分析。换档需要 2s,对于那个时代的汽车来说,这是一个合适而悠闲的速度。
通过仿真分析汽车的换挡原理的图3
我们特别想知道,在运动过程中各个组件上的力的大小,大的接触力可能意味着过度磨损。事实证明,没有一个铰链或连杆受到过大的载荷,其量级最多只有几牛顿,如下图所示。

通过仿真分析汽车的换挡原理的图4随时间变化的关节力的全局图。

文章来源:COMSOL

登录后免费查看全文
立即登录
App下载
技术邻APP
工程师必备
  • 项目客服
  • 培训客服
  • 平台客服

TOP

6
1
1