汽车电机控制方案—单相无刷直流电机
2021年11月4日 09:21 汽车电机控制方案—单相无刷直流电机
1
引言
无刷直流电机转子采用磁钢励磁,定子采用集中绕组,取消了电刷和换向器,具有效率高、结构紧凑、维护需求低的特点,按照其绕组相数可以将其分为单相无刷直流电机和多相无刷直流电机两大类。
汽车上应用的发动机冷却水泵、冷却风机、空调压缩机电机等功率较高、转速控制范围较广的使用三相无刷直流电机居多。而单相无刷直流电机被广泛应用于对电机启动性能不高、转矩脉动要求不高的小功率散热水泵、小功率风机中。ZLG推出的单相无刷直流电机方案适用于小功率散热水泵,可以通过PWM单线双向控制,适用于12V系统下50W左右的电机。
2
认识单相无刷直流电机
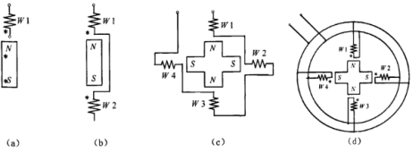
单相无刷直流电机和三相无刷直流电机的结构相似,定子主要由定子铁芯和电枢绕组所组成,转子主要由永磁体构成。它们的转子的永磁体被充成一定的磁极对数,定子铁芯通常由磁轭和凸极所组成,定子上只有一相电枢绕组,其电枢绕组的具体连接方式如图1所示。
图1 单项无刷直流永磁电机的示意图
单相无刷直流电机的定子上有一相电枢绕组W。当电枢绕组W内通过电流Ia时,便产生定子磁场Fa,如图2(左)所示,如果电枢绕组内的电流Ia改变方向,即由“+”变为“-”时,定子磁场Fa的方向由“+Fa”变为“-Fa”,如图2(右)所示。由此可见,绕组W内的电流Ia方向每改变一次,定子磁场Fa的方向也随之改变一次。在一个电气周期内,即在360°电角度范围之内,电动机的定子磁场有两个磁状态,夹角为180°电角度,即每一个磁状态角αz为180°电角度。
图2 单相无刷直流永磁电机的定转子磁场
3
电子换向电路
为了实现上述的运行要求,单相无刷直流电机的结构和功率驱动级电路如图3所示,电机运行时,驱动模块在换向逻辑信号的控制下,功率开关晶体管Tr1、Tr2和Tr3和Tr4将轮流导通,从而电枢电流i(t)就以“正向”和“反向”的方式轮流通过电枢线圈W。电枢线圈的导通顺序与功率开关晶体管的导通顺序之间的关系如表1。为了检测电机转子位置,通常还需要使用一个霍尔传感器来定位。
图3 驱动级电路
表1 电枢绕组导通顺序与功率开关器件导通顺序的关系
4
ZLG方案介绍
Magniv S12ZVMB系列是NXP推出的高集成度汽车电机控制专用芯片,内部集成LDO、栅极驱动器、LIN物理层、高压输入IO,仅需搭配MOS管H桥、1个霍尔传感器及必要的基础元件即可构成完整的单相直流无刷电机控制系统。其特性如下:
无需外部电源芯片,集成电源管理模块为芯片内部、外部提供电源供应;
无需外部MOS驱动芯片,集成的MOSFET栅极驱动单元;
高压输入接口,PWM可通过LIN接口输入,无需外部电平转换电路;
MCU的EVDD引脚可供电给霍尔传感器;
极少器件:4个H桥MOS,实际采用两个Dual Die封装的N-MOS即可,1个防反接MOS,可根据客户需要设计其他防反接电路;1个霍尔传感器,用于采集电机转子位置。
图4 方案框图
ZLG基于Magniv S12ZVMB系列推出了单相无刷直流电机控制方案,具有集成度高、BOM器件少、性能稳定的特点。其特性如下:
符合AEC-Q100的电机专用芯片
单霍尔接口电路
防反接保护电路
单面放置器件
单线双向PWM调速、通讯及故障反馈
FreeMASTER可视化调试/配置
静态电流小于3mA
工作温度-40°C至150°C
过压、欠压、过流等故障检测电路
堵转、空转、低速、过温等故障保护算法
可定制调速方式及协议
完整的软件/硬件设计参考
图5 实物
5
结语
ZLG推出的单相无刷直流电机控制解决方案,硬件上使用高集成度MCU、全汽车级器件,软件上使用高效率驱动算法,具有全面的检测保护机制,提供完整C代码支持,可以作为厂商在单相直流无刷电机控制中的快速开发参考设计。ZLG可提供详细的《硬件设计指南》、《软件开发手册》、《电机调试指南》等设计过程参考文档,帮助厂商抢占市场先机。
工程师必备
- 项目客服
- 培训客服
- 平台客服
TOP




















